欢迎光临中空旋转平台 行星减速机 苏州邦佐智能科技有限公司!服务热线:15295669824

15295669824

联系我们


· 苏州邦佐智能科技有限公司

· 联系人:管先生

· 电话:15295669824

· 邮箱:397122343@qq.com

· 传真:0512-63630050

· 地址:江苏苏州吴江区中山南路568号30幢



当前位置:主页>产品中心

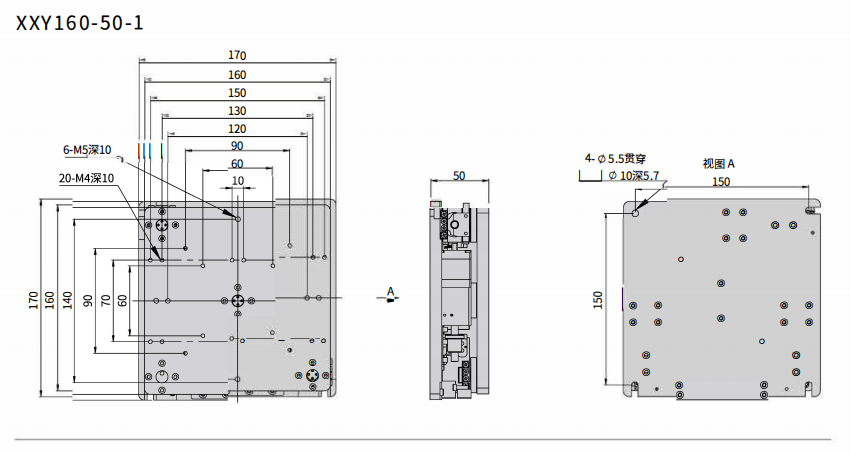
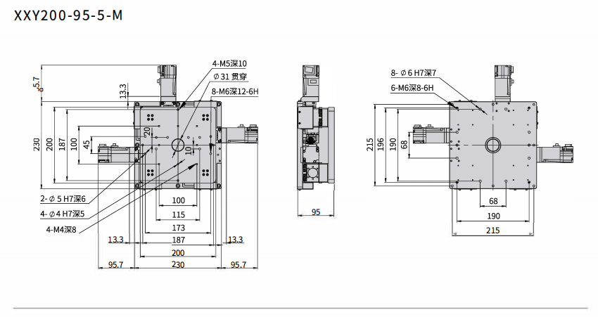
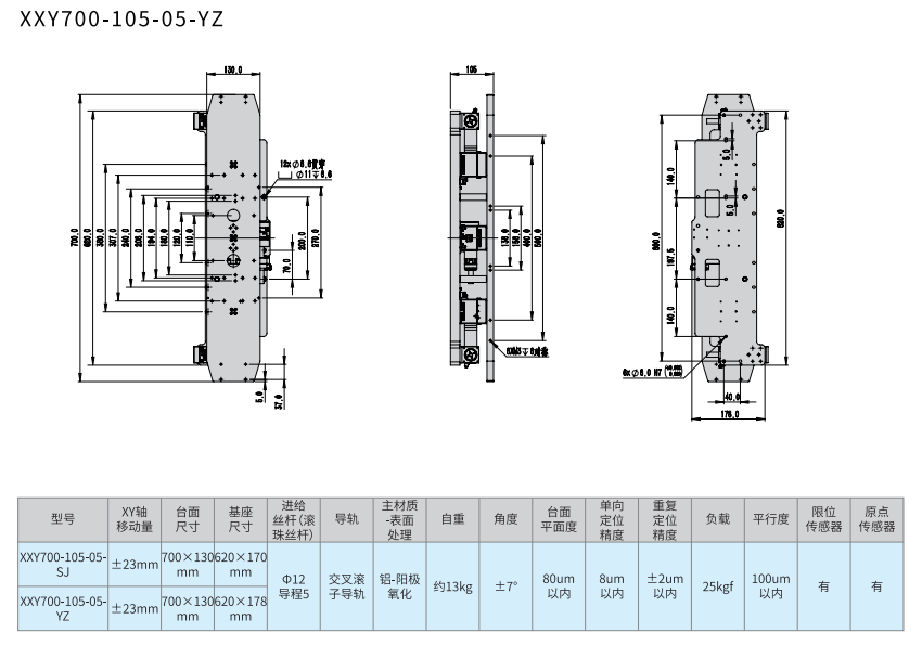
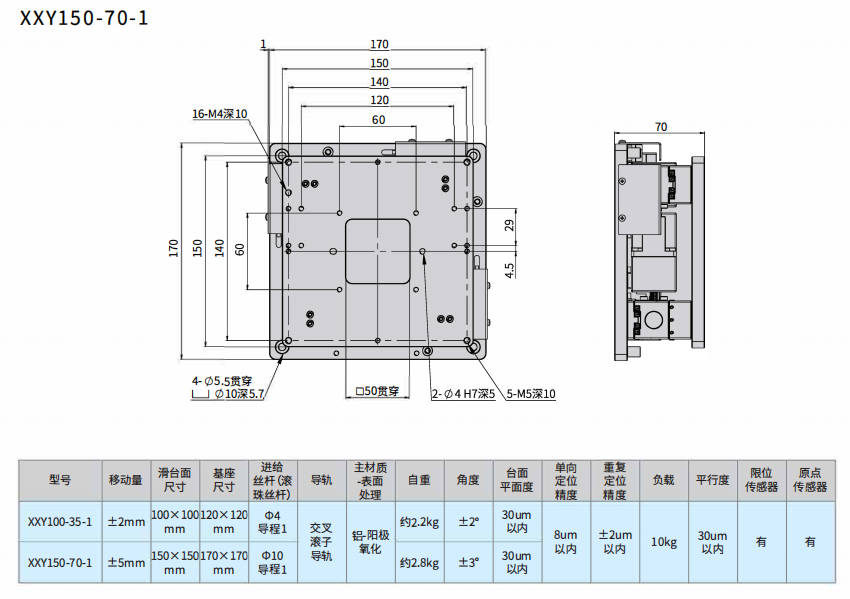
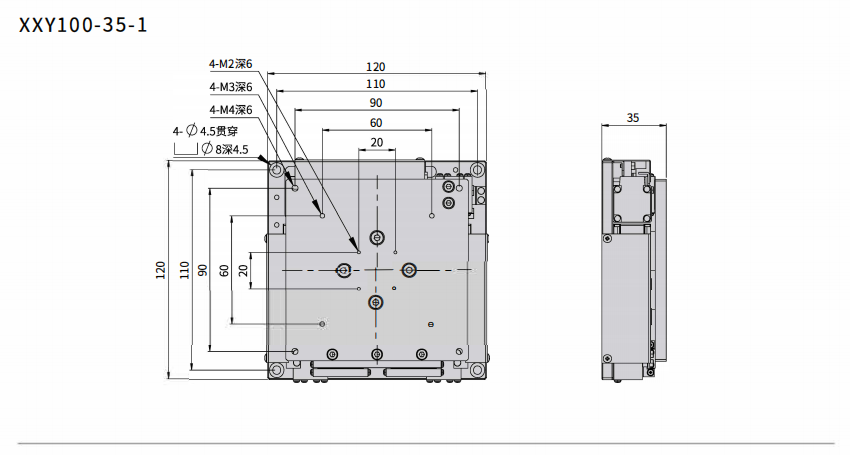
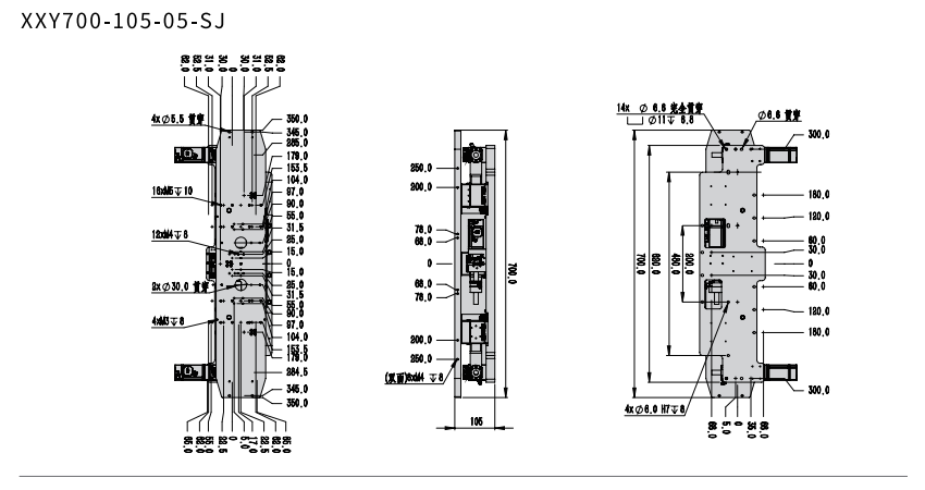
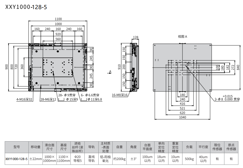
XXY-对位平台
浏览:490 发布日期:2023-06-09